Publication
Article
Turbomachinery Magazine
Author(s):
How to implement proactive monitoring.
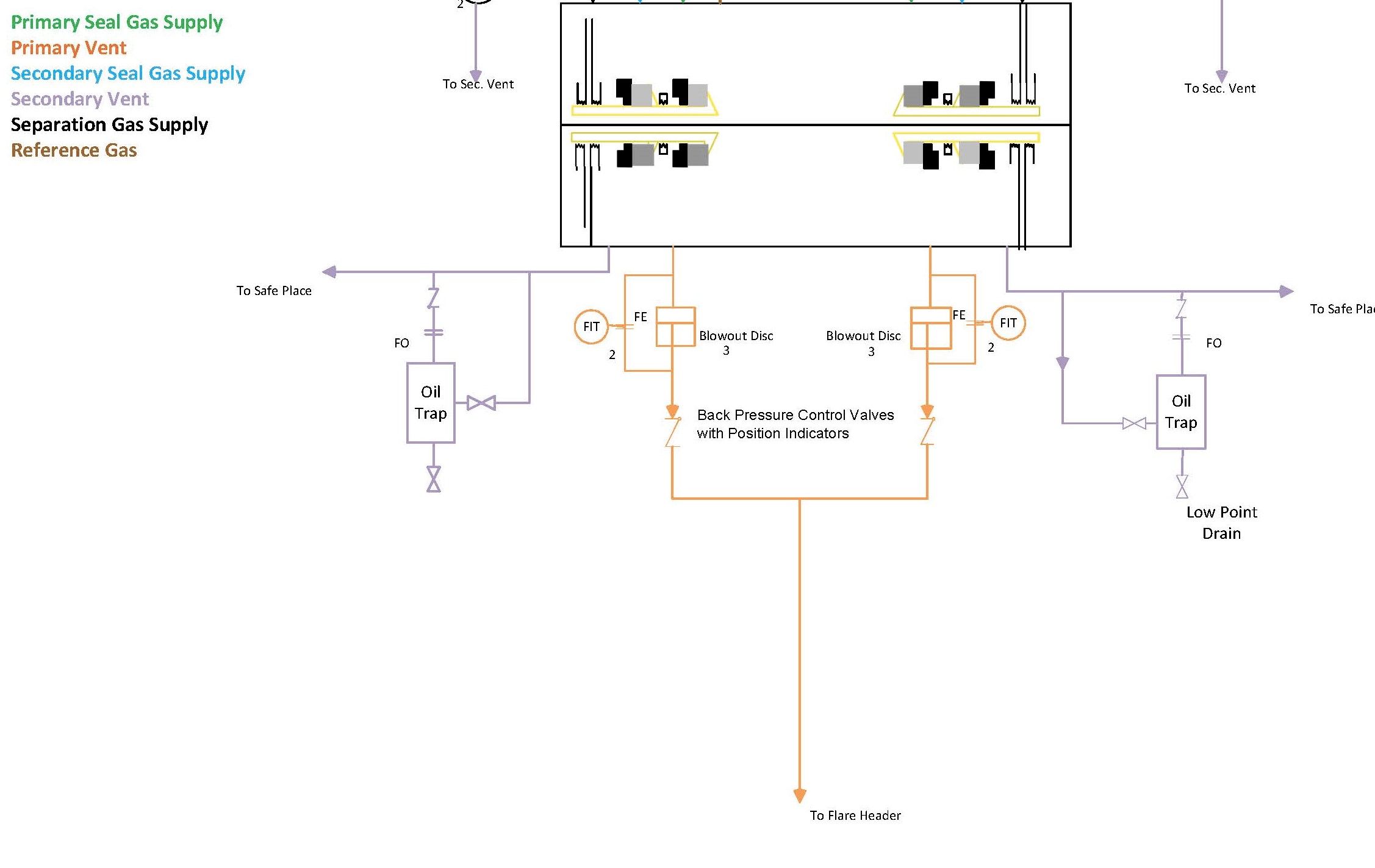
Figure: Using a back pressure control valve in the primary vent as part of the monitoring of secondary seal condition in a dry gas seal.

In the last 10+ years there has been a significant increase in the technology and instrumentation used on dry gas seal systems to monitor the condition of the seals. Most notable has been the call to monitor secondary seal condition – there have been significant failures of the secondary seal without any issue with the primary seal. The majority of these failures have been due to oil migration across the separation seals. As the oil is not drained out, it accumulates around the secondary seal, fills the grooves, and causes the secondary seal faces to contact.
There are various approaches to monitoring secondary seal condition. Probably the most beneficial is utilizing a back pressure control valve in the primary vent (Figure 1). This sets the primary vent at a pressure below the primary seal gas supply pressure, but high enough for the user to be able to set a low-pressure alarm and trip (if required), indicating the secondary seal has failed. This pressure should probably be set somewhere between 15-25 psig, as this will provide a good differential pressure across the secondary seal and improve its lifespan by slightly increasing the gap between the faces (less wear).
By using a positioner (wireless positioners are available) on the back pressure control valve, a user will be able to be proactive in determining if the secondary or primary seal is going to fail. For example, if the valve is normally set at 60% open and it starts to open more, this could indicate excessive primary seal leakage (assuming if intermediate nitrogen is being supplied, the flow has not increased). Likewise, if the back pressure control valve begins to close more, this could indicate excessive secondary seal leakage.
By trending the position of this valve, one can predict at what point the valve will no longer be able to control the pressure. If the valve position stays relatively steady throughout a run on a compressor, it is not recommended to change the dry gas seals. However, if it has changed by more than 20% over a run time, it would be recommended to do so
Power your knowledge with the latest in turbine technology, engineering advances, and energy solutions—subscribe to Turbomachinery International today.